|
Here is a 8051 microcontroller based electronics project. This demo
project explains how to make a car parking system automated. Here, there
is a multi floor parking system, and a lift will take your car to the
appropriate parking area depending on the cars that are already occupied
in the system. Use some cardboard sheets to make the building and take
some toy cars to have a demo!
Automatic multi-stored car parking system is very good substitute for car
parking area. Since in modern world, where space has become a very big
problem and in the era of miniaturization its become a very crucial
necessity to avoid the wastage of space in modern, big companies and
apartments etc. In space where more than 100 cars need to be parked, it�s
a very difficult task to do and also to reduce the wastage of area, this
system can be used. This Automatic Car Parking enables the parking of
vehicles-floor after floor and thus reducing the space used. Here any
number of cars can be park according to requirement. This makes the system
modernized and even a space-saving one. This idea is developed using 8051
Microcontroller. Here program is written according to this idea using
8051.
Click here
to view photographs of this model.
Description:
A display is provided at the ground floor which is basically a counter that
displays number of cars in each floor. It informs whether the floors are
fully filled with the cars or is it having place in a particular floor or
not. There is facility of lift to carry the car to up and down. Movement of
Lift is controlled by stepper motor. An indicator with a green and red LED
is kept in all the floors to indicate whether the lift is busy or is it
ready to take the car up or down. If the red LED glows that means the lift
is already engaged and the person has to wait for the green LED to glow. In
this project we have provided three floors of a building for car parking.
Maximum storage capacity of each floor is given as ten. Storage capacity can
be changed according to the requirement.
Any one can enter to first or second floor. The third floor in
this model is for VIP�s only. Therefore when VIP�s are to be entering they
are expected to enter their password and they will be taken to the third
reserved floor. The password will be of 4 digits. The processor checks for
the password entered and if it is found to be wrong, a siren is heard. In
this particular model 10 passwords are stored. So when a password is
entered, the processor checks for it and it is compared with 10 passwords.
It indicates whether it is the correct one or not.
When the car enters the lift, the LDR detects its presence and
sends a signal to glow RED LED indicating that the lift is busy. It also
sends a signal to motor which makes the motor to rotate. After RED LED glows
the lift will take the person and the car up to the floor where the space
for parking is available. (For VIP it will be the third floor). When the
lift reaches the first floor, the processor compares the filled amount to
that of the already fed capacity of that floor, and if it finds that the
first floor is fully filled , it goes to the second floor and thus the
procedure stops here. As soon as a car is placed in a particular floor, the
display counter at the ground floor increments as to indicate the floor
capacity has decreased by one. After the lift places the car in a particular
floor, it comes back to its normal position and that time, the motor that
drives it , also stops. Now processor sends signal to glow GREEN LED
indicating that lift is free.
When a person needs to come down from a particular floor to
ground floor, he is expected to focus the headlight onto the LDR placed in
that floor. Now sensor section sends signal to motor that the lift has to be
send back to that particular floor and sends a signal to glow RED LED
indicating that the lift is busy. As soon as the lift reaches that
particular floor car should come inside the lift, the display counter at the
ground floor decrements by one as to indicate the floor capacity has
increased by one. Lift comes back to its normal position and that time, the
motor that drives it , also stops. Now processor sends signal to glow GREEN
LED indicating that lift is free.
If
there no parking taking place, the processor carries out the job according
to the following priority:-
1.
It checks
whether any password is entered.
2. It
checks whether any car is entered to lift.
3. It
checks whether any car headlight is pressed in front of LDR placed in each
floor.
It is like a
round robin system.
CIRCUIT
EXPLANATIONS
Following are
the main sections in this model.
1. Display
section
2.
Keyboard, indicator & Beeper section
3. Lift &
motor section
4. Sensor
section
5. LCD
section
6.
Software program
Program is written using 8051 microcontroller. Two 8255 IC's are connected
to 8051. All circuits are interfaced with 8255.

Block diagram of automated car parking system
1.DISPLAY SECTION
This section displays the floor number along with the number of cars which
has been already parked in that particular floor. So whenever a car is ready
to either come down or go up, the program either decrements the count or
increments the count automatically according to the going up or coming down
of a car. Display section is done by interfacing with 8255(PPI) of 8051.Here
3 ports of 8255 are connected to three 7-segment display. Block diagram of
this section is shown.
2.KEYBOARD, INDICATOR &BEEPER
In
this section,12 switches are connected in matrix form and it has three LED�s
, RED, GREEN&YELLOW. The person, needed to enter the password has to wait
until the GREEN LED glows and when it glows, he has to press the �START�
button first. This time the RED LED glows. Then the person has to enter the
password. As soon as it is entered, the program checks it with the already
stored passwords. If it is correct, YELLOW LED glows. If the entered
password is wrong, beeper starts beeping signifying the incorrectness of the
password entered. Circuit diagram of keyboard is shown bellow.
&0��)V 0��)V 0�)V @��)V ���)V P��)V @ P��)V p>
The
indicator section contains 2 LED�s , RED & GREEN which are present in all
the floors. RED LED signifies that the lift is presently busy and shall not
entertain any car to enter but if GREEN LED glows, it suggests that the lift
is ready and the car can enter the particular floor. Beeper and LED's are
connected to port C upper of 8255.
One more advantage of beeper is that; when a person tries to
enter the lift irrespective of finding the display section to be FFF (means
the floors are already filled), program sends a signal to Beeper section and
it starts beeping indicating that he is not supposed to enter the lift since
all the floors are already filled.
LIFT
AND MOTOR SECTION
In
lift section, there is a light beam and LDR to know whether a car has
entered the lift or not. When the GREEN LED of indicator section glows, that
means the lift is ready for the car to enter. When the car enters the lift,
the light beam falls on LDR present in the lift gets cut and it gives a
signal that a car has entered the lift. Then program decides which floor
lift has to go and gives a signal to motor section. Circuit diagram of
sensor present in lift is shown bellow.
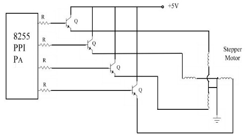
The
motor section is a mechanical part of the model which is used for taking
the lift up/down. When the lift has to go up, program gives the signal and
the motor rotates clockwise and if it has to go down, it rotates
anticlockwise. First 4 pins port A is connected to motor. Power transistors
must be connected to drive the motor. Circuit diagram of this section is
shown bellow.
SENSOR SECTION
Sensor section contains LDR's .These LDR's are connected to each floar to
give information if any car has to come down. When a person needs to come
down from a particular floor to ground floor, he is expected to focus the
headlight the car onto the LDR placed in that floor. When light falls on LDR
its resistance decreases. Hence IC 555 triggers and gives a signal. Program
identifies that signal and gives a signal to motor section. The circuit
diagram sensor is shown bellow. In this project same circuits is connected
to three floors. This circuit different if you compared with that of lift
sensor shown above.

LCD SECTION
In
this project LCD is used to display some messages which is useful to car
owners. Here 2X16 LCD ( Liquid Crystal Display) is used. This is used to
display messages like
WELCOME
TO CAR PARKING SYSTEM
LIFT IS
BUSY PLEASE WAIT
PLEASE
ENTER YOUR PASSWORD
Circuit
diagram of LCD section is shown bellow. LCD is interfaced with 8051
microcontroller.

Circuit
is now over. Next part is coding. Here is the complete listing of the code
for multi floor car parking system. Create the hex file and download it to
the microcontroller and place the IC in circuit. Your automated car parking
system is ready. Wait for a car to come.
|
mov r0,#19h ; Storing the equivalent codes of
|
|
mov
@r0,#0bfh ; common cathode display. |
|
inc r0 |
|
mov
@r0,#86h |
|
inc r0 |
|
mov
@r0,#0dbh |
|
inc r0 |
|
mov
@r0,#0cfh |
|
inc r0 |
|
mov
@r0,#0e6h |
|
inc r0 |
|
mov
@r0,#0edh |
|
inc r0 |
|
mov @r0,#fdh |
|
inc r0 |
|
mov
@r0,#87h |
|
inc r0 |
|
mov
@r0,#0ffh |
|
inc r0 |
|
mov
@r0,#0e7h |
|
inc r0 |
|
mov
@r0,#39h |
|
inc r0 |
|
mov
@r0,#00h |
|
|
|
mov
r0,#25h ; Storing the equivalent codes of
|
|
mov
@r0,#40h ;
common anode. |
|
inc r0 |
|
mov
@r0,#0f9h |
|
inc r0 |
|
mov
@r0,#24h |
|
inc r0 |
|
mov
@r0,#30h |
|
inc r0 |
|
mov
@r0,#99h |
|
inc r0 |
|
mov
@r0,#12h |
|
inc r0 |
|
mov
@r0,#02h |
|
inc r0 |
|
mov
@r0,#78h |
0��)V 0��)V 0�)V @��)V ���)V P��)V @ P��)V inc r0
|
mov
@r0,#00h |
|
inc r0 |
|
mov
@r0,#18h |
|
inc r0 |
|
mov
@r0,#0eh |
|
|
|
mov
r0,#45h ; Storing ten 4 digit passwords in
|
|
mov
@r0,#00h ; internal RAM. |
|
inc r0 |
|
mov
@r0,#01h |
|
inc r0 |
|
mov
@r0,#02h |
|
inc r0 |
|
mov
@r0,#03h |
|
inc r0 |
|
mov
@r0,#08h |
|
inc r0 |
|
mov
@r0,#00 |
|
inc r0 |
|
mov
@r0,#05h |
|
inc r0 |
|
mov
@r0,#01h |
|
inc r0 |
|
mov
@r0,#01h |
|
inc r0 |
|
mov
@r0,#00 |
|
inc r0 |
|
mov
@r0,#00 |
|
inc r0 |
|
mov
@r0,#01h |
|
inc r0 |
|
mov
@r0,#06h |
|
inc r0 |
|
mov
@r0,#00 |
|
inc r0 |
|
mov
@r0,#05h |
|
inc r0 |
|
mov
@r0,#00 |
|
inc r0 |
|
mov
@r0,#09h |
|
inc r0 |
|
mov
@r0,#08h |
|
inc r0 |
|
mov
@r0,#08h |
|
inc r0 |
|
mov
@r0,#06h |
|
inc r0
|
|
mov
@r0,#03h |
|
inc r0 |
|
mov
@r0,#01h |
|
inc r0 |
|
mov
@r0,#01h |
|
inc r0 |
|
mov
@r0,#07h |
|
mov a,#08 |
|
STORE: dec a |
|
inc r0 |
|
mov @r0,a |
|
inc r0 |
|
movx @r0,a |
|
inc r0 |
|
movx @r0,a |
|
inc r0 |
|
movx @r0,a |
|
djnz
a,STORE |
|
|
|
mov dptr,#2023h
; Configuring two 8255 ports. |
|
mov
a,#81h |
|
movx @dptr,a |
|
mov dptr,#2043h |
|
0��)V 0��)V 0�)V @��)V ���)V P��)V @ P��)V /td>
|
|
movx @dptr,a |
|
mov
r3,#00 ; Clears the display. |
|
mov r4,#00 |
|
mov r5,#00 |
|
mov a,r5 |
|
call
LED_CODES |
|
mov dptr,#2040h |
|
movx @dptr,a |
|
inc dptr |
|
movx @dptr,a |
|
inc dptr |
|
movx @dptr,a |
|
mov dptr,#2022h |
|
mov a,#30h |
|
movx @dptr,a |
|
mov
sp,#11h |
|
call
lcdwel ; Calling LCD display subroutine. |
|
REPEAT: clr psw.3 |
|
clr psw.4 |
|
mov dptr,#2022h |
|
movx a,@dptr |
|
cjne
a,#31h,DONE ; Comparing whether car is inside the lift.
|
|
mov
a,#0ah |
|
xrl a,r4 |
|
jz
SIREN ; Call SIREN if second floor is full. |
|
call
lcdbusy |
|
mov a,#10h |
|
movx @dptr,a
; send lift is busy signal. |
|
call DELAY |
|
mov
r7,#02 ; Give number of rotations to motor so that...
|
|
mov
r6,#02h ; lift goes to first floor. |
|
call
MOTER_UP ; Call motor to rotate clockwise. |
|
mov a,#0ah |
|
xrl a,r3 |
|
jz I_FULL
; If first floor is full then jump to I_FULL |
|
inc r3 |
|
call DELAY |
|
mov
a,r3 ; Increment the number of car in first floor. |
|
call
LED_CODES ; Display the number of cars. |
|
mov dptr,#2042h |
|
movx @dptr,a |
|
mov
r7,#02h ; Again load the number of rotations to motor
|
|
mov
r6,#02h |
|
call
MOTER_DOWN ; Call motor to rotate anticlockwise. |
|
mov dptr,#2022h |
|
mov
a,#30h |
|
movx @dptr,a ;
send lift is free signal. |
|
call
lcdwel |
|
sjmp DONE |
|
I_FULL: mov
r7,#02h ; Give number of rotations to motor so tha... |
|
mov
r6,#02h ; ...lift goes to second floor. |
|
call
MOTER_UP ; Call motor to rotate clockwise. |
|
inc r4 |
|
call DELAY |
|
mov
a,r4 ; Increment the number of car in second floor. |
|
call
LED_CODES ; Display the number of cars. |
|
mov dptr,#2041h |
|
movx @dptr,a |
|
mov
r7,#04h ;Again load the number of rotations to motor. |
|
mov
r6,#02h |
|
call
MOTER_DOWN ; Call motor to rotate anticlockwise. |
|
0��)V 0��)V 0�)V @��)V ���)V P��)V @ P��)V |
|
mov a,#30h |
|
movx @dptr,a ;
send lift is free signal. |
|
call
lcdwel |
|
jmp DONE |
|
SIREN: mov
a,#70h ; Subroutine for SIREN. |
|
movx @dptr,a |
|
GO: movx a,@dptr
|
|
jb a.0,GO
|
|
jmp OVER1 |
|
|
|
DONE: movx a,@dptr ;
Compare if start button of the |
|
cjne
a,#33h,OVER1 keyboard is pressed.
|
|
mov a,#0ah |
|
xrl a,r5
|
|
jz
SIREN ; Call SIREN if third flore is full. |
|
mov a,#00 |
|
movx @dptr,a |
|
call
lcdbusy |
|
setb psw.3 |
|
CLEAR: mov
r1,#0ah ; Scanning entered password from keyboard
|
|
mov
r0,#04h |
|
START: mov dptr,#2020h |
|
mov a,#0eh |
|
movx @dptr,a |
|
WAIT: mov dptr,#2022h
|
|
movx a,@dptr |
|
mov r7,#00 |
|
xrl a,r7 |
|
jz WAIT |
|
mov a,#02 |
|
LOOP: mov r6,a |
|
mov dptr,#2020h |
|
movx @dptr,a |
|
mov dptr,#2022h |
|
movx a,@dptr |
|
jnz
COLSCAN |
|
inc r7 |
|
mov a,r6 |
|
rl a |
|
jmp LOOP |
|
|
|
COLSCAN: rrc a |
|
jc DONE1 |
|
inc r7 |
|
inc r7 |
|
inc r7 |
|
sjmp
COLSCAN |
|
|
|
OVER1: jmp OVER |
|
DONE1: mov a,r7 |
|
clr psw.3 |
|
setb psw.4 |
|
mov
r0,#19h |
|
add a,r0 |
|
mov r0,a |
|
mov a,@r0 |
|
clr psw.4 |
|
setb psw.3 |
|
mov dptr,#2021h |
|
movx @dptr,a |
|
inc dptr |
|
UP: movx a,@dptr |
|
jnz UP |
|
mov a,#0ah |
|
xrl a,r7 |
|
jz CLEAR |
|
mov a,#0bh |
|
xrl a,r7 |
|
jz
BIT_CLEAR |
|
mov a,r7 |
|
mov
@r1,a ; Store entered each digit. |
| 0��)V 0��)V 0�)V @��)V ���)V P��)V @ P��)V ial"> inc r1 |
|
mov
r7,#0ffh |
|
HEAR: djnz
r7,HEAR |
|
mov
r7,#0ffh |
|
HEAR1: djnz
r7,HEAR1 |
|
djnz
r0,START |
|
|
|
mov
r7,#0ah ;Checking whether entered 4 digit password |
|
mov
r0,#45h ; .... is any one of the stored
password. |
|
CHECK: mov
r1,#0ah |
|
mov
r6,#03h |
|
CHECK1:mov a,@r0 |
|
xrl a,@r1 |
|
jnz NEXT |
|
inc r1 |
|
inc r0 |
|
djnz
r6,CHECK1 |
|
mov dptr,#2022h |
|
mov a,#90h |
|
movx @dptr,a |
|
clr psw.3 |
|
jmp
OK ; Jump to OK if password is correct. |
|
NEXT: inc r0 |
|
djnz
r6,NEXT |
|
inc r0 |
|
djnz
r7,CHECK |
|
mov dptr,#2022h |
|
mov a,#50h |
|
movx @dptr,a |
|
AGAIN: movx a,@dptr |
|
cjne
a,#53h,AGAIN |
|
clr psw.3 |
|
mov
a,#30h ; Give SIREN if entered password is wrong. |
|
movx @dptr,a |
|
REMAIN: movx a,@dptr |
|
xrl a,#33h |
|
jz REMAIN |
|
mov
r0,#0ffh |
|
STAY: djnz
r0,STAY |
|
call
lcdwel |
|
jmp OVER |
|
|
|
LED_CODES:setb
psw.4 |
|
mov
r0,#25h |
|
add
a,r0 |
|
mov
r0,a |
|
mov
a,@r0 |
|
clr
psw.4 |
|
ret |
|
|
|
BIT_CLEAR: dec
r1 |
|
inc r0 |
|
mov
r6,#0ffh |
|
HEAR2: djnz
r6,HEAR2 |
|
mov
r6,#0ffh |
|
HEAR3: djnz
r6,HEAR3 |
|
jmp
START |
|
|
|
OK: movx a,@dptr |
|
cjne
a,#91h,OK |
|
mov
a,#10h |
|
movx @dptr,a |
|
mov a,#00 |
|
mov dptr,#2021h |
|
movx @dptr,a |
|
call DELAY |
|
mov
r7,#06h ; Give number of rotations to motor so that |
|
mov
r6,#02h ; lift goes to third flore. |
|
call
MOTER_UP ; Call motor to rotate clockwise. |
|
| |